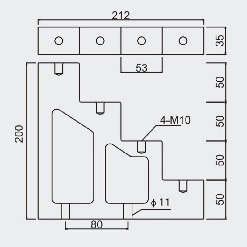
"AISLADOR P/ 4 BARRAS 50MM TIPO ESCALERA - ""T"" VCP"

VCE000490-VCE000490
PYG 60.100
Sábados de Itaú PYG 48.080
Sábados de Itaú PYG 51.085

Soportes Aislantes para Barras Colectoras utilizados en tableros eléctricos y sistemas de distribución de energía, fabricada con material resistente al calor y a la presión. Cuenta con insertos metálicos que le dan firmeza y puede adaptarse a distintas medidas según la necesidad. Ofrecen soporte mecánico, aislamiento térmico y protección contra cortocircuitos.

Stock disponible: 184

vcp-electric
Envíos
Cambios y Devoluciones

Todas las compras realizadas tienen un plazo para su cambio.

Ver más detalles
Medios de pago
  • visa
  • cabal
  • celo
  • credicard
  • credifielco
  • diners
  • discover
  • infonet
  • jcb
  • master
  • panal
  • unica
  • unionpay
  • tarjetas
Características
Descripción
  • Dimensiones(mm): (segun imagen)
  • Temperatura de trabajo: −40 ~ +140 °C
  • Inserto: Latón, acero con recubrimiento de zinc
  • Material: BMC (compuesto de moldeo a granel / resina de poliéster insaturado reforzada con fibra de vidrio)
  • Color: rojo
  • Ancho útil de barra (mm): ≈50
  • Dimensión de barra sugerida: Cu 50×10 mm
  • Corriente típica (referencial): ≈ 852–1020 A (DIN 43671, 35/65 °C)


*OBS: La corriente es propiedad de la barra, NO del aislador. La corriente indicada corresponde a la capacidad típica de la barra colectora compatible con este modelo de aislador, conforme a tablas DIN 43671/43670.

vcp-electric "AISLADOR P/ 4 BARRAS 50MM TIPO ESCALERA - ""T"" VCP" "AISLADOR P/ 4 BARRAS 50MM TIPO ESCALERA - ""T"" VCP" Soportes Aislantes para Barras Colectoras utilizados en tableros eléctricos y sistemas de distribución de energía, fabricada con material resistente al calor y a la presión. Cuenta con insertos metálicos que le dan firmeza y puede adaptarse a distintas medidas según la necesidad. Ofrecen soporte mecánico, aislamiento térmico y protección contra cortocircuitos. VCE000490VCE000490